Início>Eletrodomésticos Beko>Frigoríficos e Congeladores Beko>RDP6600

Diagramas de desmontagemv^

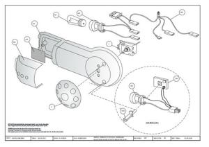
Os diagramas de desmontagem são representações gráficas que mostram a disposição e o nome de cada componente de um eletrodoméstico, facilitando assim sua identificação e substituição.
Deseja receber o esquema de peças?

Filtrosv^

Localizar peças de reposição para este eletrodoméstico:
Número de posição no diagrama de desmontagem
0013 0014 0015 0038 0200 0218 0601 0838 0975

Frigoríficos e Congeladores Beko RDP6600 (6042408129)

Para encontrar a peça que você procura de forma precisa e evitar erros, basta abrir o diagrama de desmontagem, localizar a parte que precisa e clicar no número correspondente na seção de Filtros.

Se não encontrar o que precisa, não hesite em contactar-nos.

Lista de peças de substituição

Se você não encontrar a peça que procura, por favor, envie sua consulta clicando aqui.