Início>Eletrodomésticos Beko>Exaustores Beko>HNT61210X

Diagramas de desmontagemv^

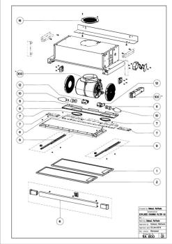
Os diagramas de desmontagem são representações gráficas que mostram a disposição e o nome de cada componente de um eletrodoméstico, facilitando assim sua identificação e substituição.
Deseja receber o esquema de peças?

Filtrosv^

Localizar peças de reposição para este eletrodoméstico:
Número de posição no diagrama de desmontagem
1 7 9 10