Inicio>Electrodomésticos Beko>Lavavajillas Beko>DIS5830

Despiecesv^

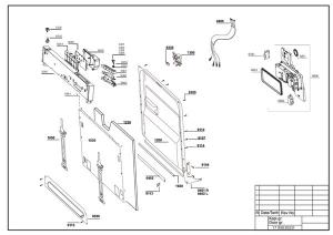
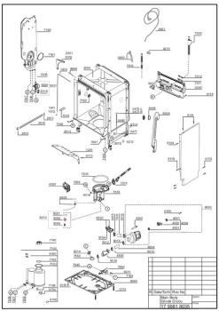
Los despieces son representaciones gráficas que muestran la disposición y el nombre de cada componente de un electrodoméstico, facilitando así su identificación y sustitución.
¿Desea recibir el despiece?

Filtrosv^

Localizar recambios para este electrodoméstico:
Numeración para la pieza en el despiece
0471 1920 2413 2611 2612 4500 4901 7211 7220

Lavavajillas Beko DIS5830 (7657588345)

Para localizar la pieza exacta y evitar equivocaciones, solicita el despiece, identifica la parte que necesitas y selecciona el número correspondiente en la sección de Filtros.

Si no encuentra lo que necesita, no dude en contactar con nosotros.

Listado de repuestos

Si no localiza la pieza que busca, por favor, envíenos su consulta haciendo clic aquí.