Inicio>Electrodomésticos Beko>Lavavajillas Beko>DSFN6620

Despiecesv^

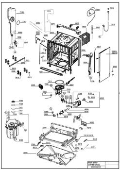
Los despieces son representaciones gráficas que muestran la disposición y el nombre de cada componente de un electrodoméstico, facilitando así su identificación y sustitución.
¿Desea recibir el despiece?

Filtrosv^

Localizar recambios para este electrodoméstico:
Numeración para la pieza en el despiece
106 471 1910 1920 2423 2424 2430 2447 2450 2517 2518 3010 4000 4300 4901 5062 5830 6315 6800 6920 7160 7220 7221 7228 7620 7630 7640 7810 7834 7910

Lavavajillas Beko DSFN6620 (7602233942)

Para localizar la pieza exacta y evitar equivocaciones, solicita el despiece, identifica la parte que necesitas y selecciona el número correspondiente en la sección de Filtros.

Si no encuentra lo que necesita, no dude en contactar con nosotros.

Listado de repuestos

1 a 25 (de 40 resultados en total)

Si no localiza la pieza que busca, por favor, envíenos su consulta haciendo clic aquí.