Inicio>Electrodomésticos Beko>Lavavajillas Beko>BDIN14320

Despiecesv^

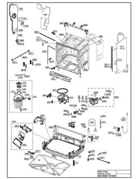
Los despieces son representaciones gráficas que muestran la disposición y el nombre de cada componente de un electrodoméstico, facilitando así su identificación y sustitución.
¿Desea recibir el despiece?

Filtrosv^

Localizar recambios para este electrodoméstico:
Numeración para la pieza en el despiece
14 16 106 110 471 1300 1910 1920 2609 4000 4300 4500 4901 5830 6315 6920 7010 7160 7610 7620 7640 7810 7834 7910

Lavavajillas Beko BDIN14320 (7617503977)

Para localizar la pieza exacta y evitar equivocaciones, solicita el despiece, identifica la parte que necesitas y selecciona el número correspondiente en la sección de Filtros.

Si no encuentra lo que necesita, no dude en contactar con nosotros.

Listado de repuestos

1 a 25 (de 29 resultados en total)

Si no localiza la pieza que busca, por favor, envíenos su consulta haciendo clic aquí.