Inicio>Electrodomésticos Beko>Lavavajillas Beko>BDFN36640XC

Despiecesv^

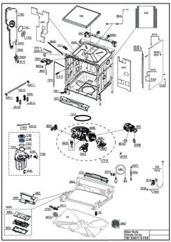
Los despieces son representaciones gráficas que muestran la disposición y el nombre de cada componente de un electrodoméstico, facilitando así su identificación y sustitución.
¿Desea recibir el despiece?

Filtrosv^

Localizar recambios para este electrodoméstico:
Numeración para la pieza en el despiece
106 1300 1910 2414 2416 2417 2423 2447 2609 4300 5830 6315 7160 7610 7620 7640 7810 7834 7910

Lavavajillas Beko BDFN36640XC (7635402677)

Para localizar la pieza exacta y evitar equivocaciones, solicita el despiece, identifica la parte que necesitas y selecciona el número correspondiente en la sección de Filtros.

Si no encuentra lo que necesita, no dude en contactar con nosotros.

Listado de repuestos

Si no localiza la pieza que busca, por favor, envíenos su consulta haciendo clic aquí.