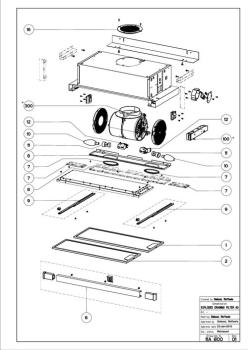
Los despieces son representaciones gráficas que muestran la disposición y el nombre de cada componente de un electrodoméstico, facilitando así su identificación y sustitución.
Filtros
Campanas extractoras Beko HNT61210X (8861983200)
Para localizar la pieza exacta y evitar equivocaciones, abre el despiece, identifica la parte que necesitas y selecciona el número correspondiente en la sección de Filtros.